東晟產品分類
帶有中間橡膠迷宮密封串聯式氣膜密封緩沖氣系統的特點是什么?
來源:廣東東晟密封科技有限公司 - www.yjh69.com更新時間:2016-06-22
在之前小編先為大家普及一下什么是橡膠氣膜密封件?東晟密封件告訴您橡膠氣膜密封又稱為干氣密封即“干運轉氣體密封”(Dry Running gas seals)是將開槽密封技術用于氣體密封的一種新型軸端密封,屬于非接觸密封,業內全稱為橡膠機械非接觸式氣膜密封件。
進入主題,今天小編要跟大家分享的內容是關于壓縮機中的風機用的氣膜密封供氣系統都有什么樣的供氣系統結構及供氣系統特點,最常見的供氣系統結構有單端面橡膠氣膜密封的供氣系統、雙端面橡膠氣膜密封的阻塞氣系統、串聯橡膠氣膜密封的供氣系統、帶中間迷宮密封的串聯橡膠氣膜密封的緩沖氣系統,四種典型的供氣系統結構及特點說明。
小編先來分享一下關橡膠密封件之帶中間迷宮密封的串聯橡膠氣膜密封的緩沖氣系統都有什么特點吧!在以后幾期小編都陸續為大家介紹其他的橡膠氣膜密封的供氣系統結構及特點(圖1)。
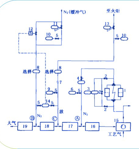
帶中間迷宮密封的串聯橡膠氣膜密封的緩沖氣系統系統都有什么樣結構圖
帶中間迷宮密封的串聯橡膠氣膜密封的緩沖氣系統結構特點及工作原理:
橡膠密封件之帶中間迷宮密封的串聯橡膠氣膜密封的緩沖氣系統,被密封氣體側的橡膠密封17(圖1所示的密封件17)是采用經過過濾的被密封氣體出管口A(圖1所示的管口A)引入進行沖洗的。如同橡膠密封的單端面氣膜密封的密封供氣系統、從氣膜密封17(圖1所示的密封件17)的泄漏的氣體從管口C(圖1所示管口C)排到火炬的。
而中間的橡膠迷宮密封(圖1所示的橡膠迷宮密封18)是裝在去火炬管口C(圖1所示管口C)和緩沖氣供給管口B(圖1所示管口B)之間的。外側橡膠氣膜密封19(圖1所示的密封件19)是用于防止緩沖泄漏到大氣中。利用差壓計14(圖所示的差壓計14)的電觸點控制電磁閥12(圖1所示的電磁閥12)的開度,保證緩沖氣的壓力始終高于去火炬的氣體的壓力的,由此確保了從中間橡膠迷宮密封的泄漏的緩沖氣與泄漏的被密封氣體一起由管口C(圖1所示管口C)排到火炬口中。
如果若被密封氣體側橡膠氣膜密封17(圖1所示的密封件17)失效了怎么辦呢?由于泄漏的氣體壓力的影響之下,導致緩沖氣壓力升高,中間橡膠迷宮密封18(圖1所示的密封件18)阻止了泄漏氣體泄漏到大氣之中。而會泄漏的氣體排到火炬中。
