東晟產品分類
聯系我們
廣東東晟密封科技有限公司
電話:
傳真:
地址:石碣鎮橫滘工業區偉業街
郵編:523302
E-mail:
盾構機橡膠密封系統的工作原理是什么?
來源:廣東東晟密封科技有限公司 - www.yjh69.com更新時間:2016-11-18
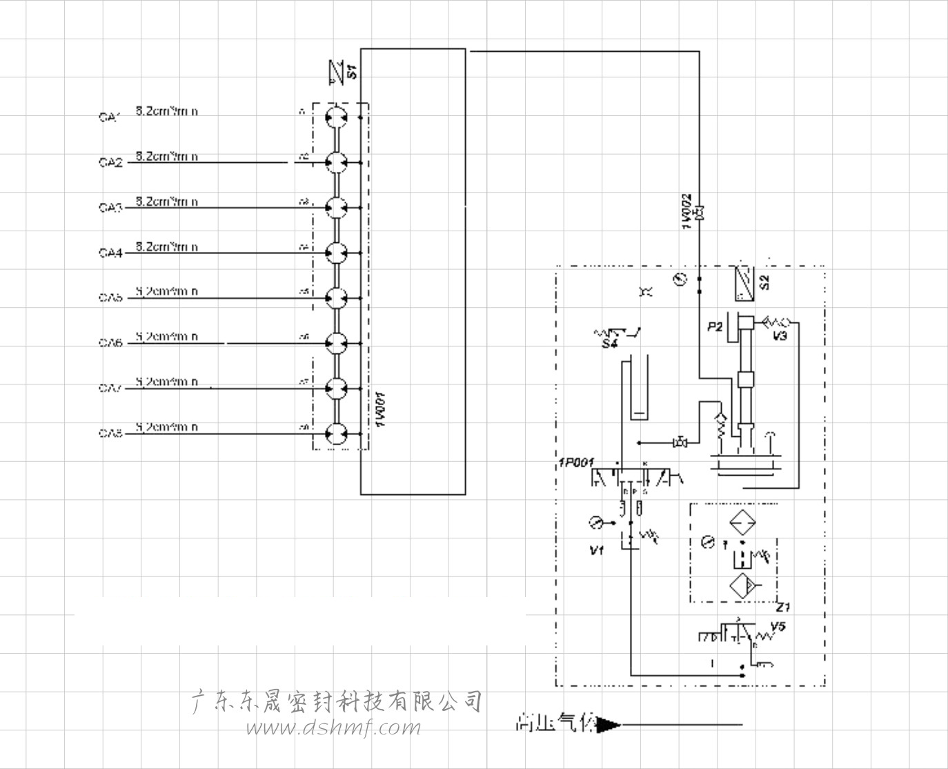
當刀盤旋轉時,盾構機橡膠密封脂通過盾構臺車上的氣動注脂泵輸送到盾構主軸承外部密封系統第一排唇形密封前圓周均勻分布的8個注入點,將其環形空間填滿,可以有效防止土倉內的雜質進入三排唇形密封,進而防止進入主軸承內,提高主軸承的壽命。
那么,盾構機橡膠密封系統的工作原理是怎么樣的呢?
當盾構機橡膠密封系統的V5電磁閥處于通電狀態下,空壓機產生的高壓氣體經三聯體Z1中的冷凝器、氣體減壓閥、油霧器、安全單向閥V3進入氣動注脂泵P2,氣動注脂泵在有壓氣體作用下工作,從氣動注脂泵的下口吸入無壓盾構機橡膠密封脂,從出口泵出高壓力的密封脂,高壓密封脂經截止閥1V002輸送到分流器1V001中,高壓密封脂推動分流器中的8個齒輪馬達旋轉,同時分成8等份密封脂分別注入到第一排唇形密封前的8個注入點內。通過手動調節z1中的氣體減壓閥的氣體壓力可以控制氣動注脂泵的泵送壓力(每增加1bar氣壓氣動注脂泵可以增加50bar的泵送HBW脂壓力),從而控制分流器的齒輪轉速,達到控制HBW注脂量的目的。使用三位五通閥1P001可以實現盾構機橡膠密封脂桶的更換。
盾構機密封件產品的展示——
東晟密封百科為您推薦——盾構機密封,密封系統,工作原理,橡膠密封,廣州密封件標準
1.盾構機中的鉸接橡膠密封件的作用? - 常見問題
