東晟產品分類
橡膠密封件之單端面氣膜密封的供氣系統都有什么樣結構及特點呢?
來源:廣東東晟密封科技有限公司 - www.yjh69.com更新時間:2016-06-20
在之前小編先為大家普及一下什么是橡膠氣膜密封件?東晟密封件告訴您橡膠氣膜密封又稱為干氣密封即“干運轉氣體密封”(Dry Running gas seals)是將開槽密封技術用于氣體密封的一種新型軸端密封,屬于非接觸密封,業內全稱為橡膠機械非接觸式氣膜密封件。
進入主題,今天小編要跟大家分享的內容是關于壓縮機中的風機用的氣膜密封供氣系統都有什么樣的供氣系統結構及供氣系統特點,最常見的供氣系統結構有單端面橡膠氣膜密封的供氣系統、雙端面橡膠氣膜密封的供氣系統、串聯橡膠氣膜密封的供氣系統、帶中間迷宮密封的串聯橡膠氣膜密封的緩沖氣系統,四種典型的供氣系統結構及特點說明。
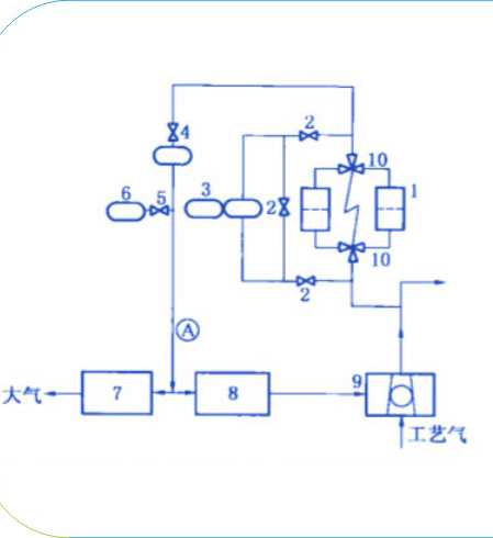
小編先來分享一下關橡膠密封件之單端面氣膜密封的供氣系統都有什么樣結構及特點吧!在以后幾期小編都陸續為大家介紹其他的橡膠氣膜密封的供氣系統結構及特點(圖1)。
橡膠密封件之單端面氣膜密封的供氣系統都有什么樣結構圖
橡膠密封件之單端面氣膜密封的供氣系統結構特點及工作原理:
密封氣是為工藝氣體,由壓縮機出口引出,再通過過濾精度為1μm的雙過濾器1(圖1所示),再之后送至氣膜密封7(圖1所示)的A口。過濾器利用帶電觸點的壓差計3(圖1所示)監測過濾器的阻力。當壓著升到一定值時,由電觸點發出信號至控制室進行報警,人工轉動換向閥10(圖1所示)切換到另一個過濾器中,應臺過濾器便可以進行清理。
密封氣的是流量計4(圖1所示)顯示的,并用針形閥調節。壓力計6(圖1所示)顯示并控制氣體壓力,從而監測密封的泄漏情況,如果密封失效時,氣體外漏。而壓力計6(圖1所示)顯示出壓力會過低的,可以通過電觸點發出信號報警的。這就就橡膠氣膜密封的供氣系統的工作原理及特點了。
