東晟產品分類
聯系我們
廣東東晟密封科技有限公司
電話:
傳真:
地址:石碣鎮橫滘工業區偉業街
郵編:523302
E-mail:
四柱萬能液壓機液壓系統 | 密封件技術
來源:廣東東晟密封科技有限公司 - www.yjh69.com更新時間:2017-07-03
那么,四柱萬能液壓機液壓系統是一種什么液壓系統呢?東晟密封件技術告訴您四柱萬能液壓機是指用液體作為介質傳遞能量的鍛壓機器。
四柱萬能液壓機液壓系統是用對金屬、塑料、木材等材料進行壓力加工的機械設備(包括密封件行業也會應用的一類液壓機械),其液壓傳動密封件系統是以壓力變換為主的系統。由于液壓傳動密封件用于機器的主傳動,故系統壓力高、液壓大、功率大。工作中壓力需要經常變換和調節,而且要求壓力能名或急速升降。保壓的時候由于液壓缸的彈性變形、油液的壓縮及管路的膨脹而貯存了相當大的能量,泄壓過快將引起液壓密封件系統的劇烈沖擊、振動和噪聲,甚至會使管路和閥破裂,因此液壓密封件系統一般要有預泄功能的。
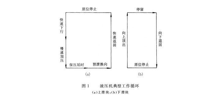
液壓機的類型很多,其中以四柱液壓機最為典型。它的四個立柱之間安裝著上、下二個液壓缸,分別驅動上下滑塊,在上面可進行沖載、彎曲、拉伸、冷擠、裝配、成型等加工、為適應各種加工工藝,要求主液壓缸能完成上滑塊的快速下行、慢速加壓、保壓延時、回程和懸空停止等動作,頂出缸能完成頂出、回程和在任意位置靜止等動作(圖1、圖2)。
了解更多液壓密封件的問題,就在東晟密封件網哦!
本文章來自于網絡共享,版權歸原作者所有,如有侵權請告知,24小時內即刻下線!
